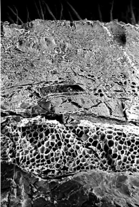
Интересно, что в татуировках лейкоцитарные тельца остаются годами, потому что не могут из них выбраться обратно. Наружная часть кожи, надкожица (эпидермис), состоит из слоя кожи в несколько десятых долей миллиметра, в ней отсутствуют кровеносные сосуды, в основании, тесно соприкасаясь друг с другом, словно плитки торцовой мостовой, клетки расположены в один ряд.
Этот слой находится в непосредственном соседстве с густой сетью кровеносных сосудов подкожного слоя, получает из крови питательные вещества и кислород, отдаёт в кровь углекислоту и другие ненужные вещества. В сущности говоря, только один этот базальный слой надкожицы можно назвать по-настоящему живым и полноценным. Его клетки остаются жизнеспособными в течение всей жизни человека. Они всё время растут и размножаются. Образовавшиеся молодые полноценные клетки располагаются под основным слоем надкожицы, они оттесняют находящиеся здесь другие клетки кверху; через некоторое время их в свою очередь оттесняют более молодые, позднее образовавшиеся клетки. Клетки всех остальных слоёв надкожицы не соприкасаются с кровеносными сосудами; поэтому они плохо обеспечены как кислородом, так и питательными веществами и обречены на гибель.
Клетки, расположенные по соседству с основным слоем надкожицы, по виду как будто ничем не отличаются от нормальных, но глаз специалиста сумеет подметить в них первые признаки начинающегося разрушения. Более старые клетки, раньше отделившиеся от клеток основного слоя и находящиеся ближе к поверхности кожи, успели сильно измениться. Они стали более плоскими, их вещество переродилось, сделалось похожим на то, из которого состоят человеческие ногти, волосы или рога и копыта животных. Самые старые клетки, расположенные в верхних слоях надкожицы, уже окончательно погибли и ороговели. Такие отмершие клетки, едва заметные под микроскопом, как бы склеиваются друг с другом и постепенно слущиваются с поверхности кожи, они, как тяжёлые доспехи средневекового рыцаря, принимают на себя все удары и сохраняют невредимыми живые клетки основного слоя надкожицы.
Под плотным слоем живых клеток надкожицы находится «собственно кожа» толщиной 1-2 мм, в ней гораздо меньше клеток, и расположены они на значительном расстоянии друг от друга, пространство между клетками заполнено особым волокнистым веществом, которое придаёт коже упругость, множеством кровеносных сосудов, тончайших нервных веточек, волосяные фолликулы, сальные и потовые железы, выходы чувствительных нервных окончаний. Так, раздражение одних нервных окончаний вызывает ощущение боли, других — ощущение давления, третьих - ощущение прикосновения. Особенно сложно строение нервных окончаний, чувствительных к холоду и теплу. При внимательном рассмотрении можно заметить, что окончания некоторых нервных веточек проникают в надкожицу, образуя так называемые «биологически активные точки».
Грамотная работа тату-мастера и благоприятный процесс заживления татуировки позволяют сохранить целостность разнообразных нервных окончаний и не потерять возможность раздельно ощущать в месте татуировки прикосновения к коже, боль, тепло, холод, предохраняя себя от повреждений или от действия каких нибудь вредных раздражающих веществ или факторов холода или высокой температуры.
Моноциты (макрофаги), захватившие пигмент краски, лимфобласты, умеют приклеиваться к веществам неорганической природы, «застревают» в татуировках и там они проводят долгие годы, поскольку не обладают способностью к обратному выходу из тканей.
В глубоких слоях кожи количество упругих волокон постепенно уменьшается, ткань становится более рыхлой, в ней появляются жировые клетки. Сначала они расположены поодиночке или отдельными маленькими группами, затем их становится всё больше и больше, и, наконец, они заполняют всю ткань. Кожа переходит в подкожную, или жировую, клетчатку, толщина которой в некоторых местах достигает нескольких сантиметров.



Обсуждение
Комментарии
Комментариев пока нет.